Nokia 6110 CDS
Home Nokia CDS česky Nokia CDS english

Up
Nokia 6110 CDS
Nokia 8110 CDS

 

Nokia 6110 Cellular Data Suite Interface

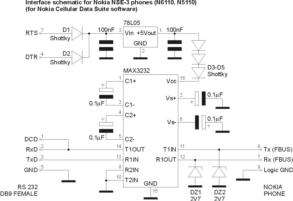
Here is the schematic for N6110 and N5110 phones. If You want it in better resolution, is here.

ncds6110english_small.gif (12474 bytes)

All interface is powered by RTS and DTR signals. D1 and D2 diodes I recommend in Shottky design since lower dropout.So 5V regulator should be in "L" design (low drop version). Buying 3.3V regulator is not easy and zener diode is not proper in this case (COM voltage can be +15V and drop on zener diode will be big), the voltage regulation (which should be 3.3V) is here done by 5V regulator with diodes D3 - D5 on which is drop about 1.8V, so final voltage is 3.2V. You can use normal diodes and normal voltage regulator, but MAX3232 may be powered by voltage less than 3.3V (depends on COM port in computer - log. 1 on RS232 may be between cca +5V and +15V, but in notebooks it is on lower value, on diode is drop about 0.6V, so before regulator it may be 4.4V, after regulator about 4.1V, drop on D3 - D5 diodes is about 1.8V and in this case voltage can be 2.3V) - it can be wrong (I tested MAX3232 works fine on voltage 2.0V), but amperage of COM port will be unnecessarily bigger.

Zener diodes DZ1 and DZ2 are VERY important to safety of Your phone. Normally are values of log. 1 about 3.3V and little overcross of this value can damage the phone - so power blast at turning on computer or connecting interface into computer. DZ1 and DZ2 diodes cuts-down this voltage to 2.7V - it is enough to log. 1 and it is hardly under maximal voltage value.

In all, it is standard wiring of MAX232. Pins No.8 (R2IN) and No.9 (T2IN) You needn't to connect to ground.

Here is phone connector description, the same in better resolution and with signal description here.

connector6110english_small.gif (5140 bytes)

Here is picture of 2-SIDED printed wiring, the same in better resolution. This variant is for direct connecting to Cannon DB 9 female connector, see pic.

If You want 1-SIDED printed wiring, (here in better resolution), You will have "bubble" in the centre of the cable, see pic.

Only warning, pictures ARE NOT in 1:1 scale, so it is necessary to redraw them. If You want originals (they are in the right scale) in CorelDRAW 8, are here.

If You have some other questios or reminders, please send me mail or SMS (only 140 characters).